


| 品牌 | IFM/德国易福门 | 应用领域 | 食品/农产品,能源,电子/电池,电气,综合 |
|---|
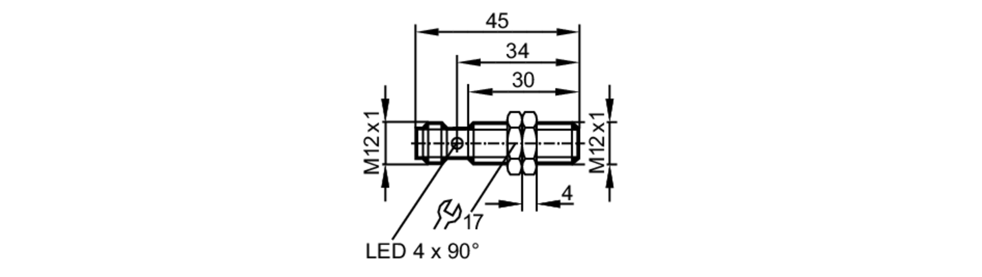
德国易福门IFM电感式传感器IFS204
易福门电子(上海)有限公司成立于2005年1月,总部位于上海张江高新技术产业开发区。为了更好的服务于中国广大用户,易福门分别在北京、苏州、广州、长沙、青岛、大连、成都、南京设有8个办事处,并包括长春、西安、深圳、武汉等18个城市设有*点。现场销售工程师和技术产品专家团队具备丰富的自动化行业应用经验,为用户提供从产品选型到现场维护等服务,并致力于为用户提供优质的解决方案
光电传感器
光电传感器堪称“人工眼",我们很难想象没有光电传感器的自动化技术。光电传感器被用于要求对物体准确位置进行可靠且非接触检测的场合。该传感器不受物体材料影响。与电感式接近开关相比,光电传感器的检测范围要大得多。
对射式光电传感器的特点是检测范围大。该系统包括2个独立组件:发射器和接收器。光仅沿一个方向传播(从发射器到接收器)。不受应用的各类不利因素影响,例如空气中的粉尘、透镜上的污物、蒸汽或雾气等。
镜面反射式光电传感器将发射器和接收器集成在一个外壳中。反射镜将发射光反射回接收器。不带偏振滤光镜的版本使用红外光,带偏振滤光镜的版本使用可见红色光。
德国IFM易福门电感式传感器IFS204的简介:
IFM易福门电感式传感器是利用电磁感应把被测的物理量如位移,压力,流量,振动等转换成线圈的自感系数和互感系数的变化,再由电路转换为电压或电流的变化量输出,实现非电量到电量的转换。电感式传感器主要用于位移测量和可以转换成位移变化的机械量(如力、张力、压力、压差、加速度、振动、应变、流量、厚度、液位、比重、转矩等)的测量。由于应用现场的被测物材料的导磁性和尺寸大小,一般情况下达不到标准被测物的要求,那么传感器的检测距离会进一步的衰减,这也就是很多用户感觉电感传感器的检测距离比厂家标称的小很多的原因。
德国IFM易福门电感式传感器IFS204的特点:
(1)结构简单,传感器无活动电触点,因此工作可靠寿命长。
(2)灵敏度和分辨力高,能测出0.01微米的位移变化。传感器的输出信号强,电压灵敏度一般每毫米的位移可达数百毫伏的输出。
(3)线性度和重复性都比较好,在一定位移范围(几十微米至数毫米)内,传感器非线性误差可达0.05%~0.1%。同时,这种传感器能实现信息的远距离传输、记录、显示和控制,它在工业自动控制系统中广泛被采用。但不足的是,它有频率响应较低,不宜快速动态测控等缺点。
德国易福门IFM电感式传感器IFS204
电感式传感器种类很多,常见的有自感式,互感式和涡流式三种。
漫反射式光电传感器用于直接检测物体。发射器和接收器也集成在一个外壳中。发射器发射光,光经物体反射后由接收器检测。传感器对物体反射的光进行评估,因此无需额外的部件(例如镜面反射式传感器需要使用反射镜)。
识君久矣,经年不期,难诉离殇,汝可解否?乾坤多变,岁月飞逝,寒冬已至,不觉周五,落雪无垠,润物无音,如始慎终,不知何日,把酒言欢! 近食偏之,唯喜肉也,幸遇知己,肺腑相告,余常不惑,不负君志,大好河山,淳朴我心,岁月静好,满目少年,夫我中华,人心皆诚,笑看风云,闲气莫生。
我司兴拓机械设备有限公司所有的产品直接从境外进货日本、美国、德国为主要货源,能够提供不同国别、厂商的设备配件,解决您多处寻找的麻烦和对产品质量的担心等, 在价格上我们有很大的优势,公司备有大量的现货,是国内库存量Z多的公司之一,欢迎咨询,我们将会给您*质的服务!
我们客户遍及石化、化工、化纤、钢铁、食品、饮料、航空.制药、采矿、电力、供水及环保等行业。
优势品牌主要有:
一、气动品牌
德国品牌:德国费斯托FESTO 德国宝德 德国GSR 德国海隆 德国马勒 德国萨姆森SAMSON
日本品牌:日本CKD喜开理 日本小金井KOGANEI 日本SMC 日本NOK 日本TACO
韩国TKC YPC TPC 英国诺冠NORGREN 意大利UNIVER 意大利康茂胜 美国纽蔓蒂克 美国SUN ,中国台湾亚德客 中国台湾金器
(这些气动的主要做电磁阀又分为很多小种,节流阀,减压阀,单向阀,油雾器,过滤器,接头,开关,气管等)美国威尔克森WILKERSON
美国ASCO(主要阀门类,具体的上网查)宝德BURKERT 主要做电磁阀,流量开关,传感器,电导率,变送器等
二、液压品牌:
日本不二越NACHI,日本太阳铁工,美国VICKERS威格士, 美国派克PARKER,德国哈威HAWE,日本丰兴TOYOOKI,日本DAIKIN大金,意大利ATOS阿托斯,德国力士乐REXROTH,
这些是液压产品主要做,电磁阀,电磁换向阀,比例阀,溢流阀,放大器,液压泵,齿轮泵,柱塞泵,叶片泵,伺服阀等可以作为参考
美国MOOG只做伺服阀
三、工控产品
德国易福门IFM,德国PILZ皮尔磁,日本SUNX 神视,德国图尔克TURCK,日本基恩士,德国P F倍加福,德国菲尼克斯 ,德国SICK,意大利杰弗伦GEFRAN ,德国西门子,日本欧姆龙,安士能,德国贺德客,德国巴鲁夫,德国玛勒,德国NOVO
主要做传感器,继电器,开关,安全栅,继电器类
德国赫斯蔓主要做交换机
四:仪器仪表类:德国E H 罗斯斯蒙特,美国G F :主要做变送器,流量计,压力传感器等
公司具有丰富的气动工控液压产品销售经验,多年来与世界各国的有名厂商相继建立了良好的合作关系,所销产品已广泛应用于国内各工业领域,公司依仗品牌的优势,以灵活的经营方式,多渠道,*地为客户提供*的自动化产品。
上一篇 : PNOZs4C24VDCPILZ皮尔兹安全继电器
下一篇 : O6H202德国易福门IFM光电开关